
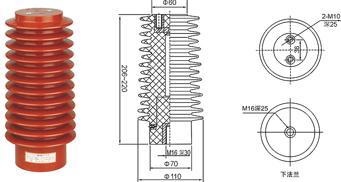
CG5-24KV高壓傳感器通過抽壓電容芯棒,從高壓帶電回路中抽取一定的電壓作為顯示和閉鎖的電源,用于反映裝置設置處的帶電狀態,并能強制閉鎖開關網門。電壓指示和強制閉鎖的工作,均受同一高壓信號所控制,但電路系統又是相互獨立的.只要高壓回路帶電,那么即使顯示電路和閉鎖電路同時出了故障,電磁鎖仍處于閉鎖狀態。因此產品的防誤閉鎖可靠性大,安全度高。傳感器全部按全工況要求設計,爬電距離滿足技術要求.顯示器外觀新穎,電子元件全部進行篩選,組裝精致。傳感器為環氧樹脂澆注支柱絕緣子式產品??勺鰹楦綦x開關,接地開關和其它支柱絕緣子使用,具有高強度,耐電弧能力強,局部放電量小等特點。
1、使用環境:溫度 -25℃~+40℃,特殊地區不低于-35℃;海拔高度不超過1000M
2、大氣條件:空氣相對濕度日平均值不大于95%RH,月平均值不大于90%RH;水蒸氣壓力日 平均值不超過2.2KPa,月平均值不超過1.8KPa
3、環境條件:無明顯污穢,無易燃、易爆,化學腐蝕和鹽霧場所。
T型高壓帶電顯示器:當高壓端電壓在額定相電壓的15%~<65%(是指一次測額定電壓為0.15~0.65時,起輝),顯示燈開始分別指示高壓端帶電狀況。
Q型高壓帶電顯示器:該產品不僅具有T型高壓帶電顯示器的全部功能,還可以達到:
1、 當三相高壓母線中,任何一相電壓在額定相電壓65%~100%時(是指一次測額定電壓為0.65~1.0時,閉鎖)。 電子線路控制繼電器輸出接點J打開,處于強制閉鎖狀態。
2、 當三相均不帶電,①二次電源正常,輸出接點閉合,處于解鎖狀態;②二次電源斷開,輸出接點打開,處于保護閉鎖狀態,達到強制閉鎖功能。
